
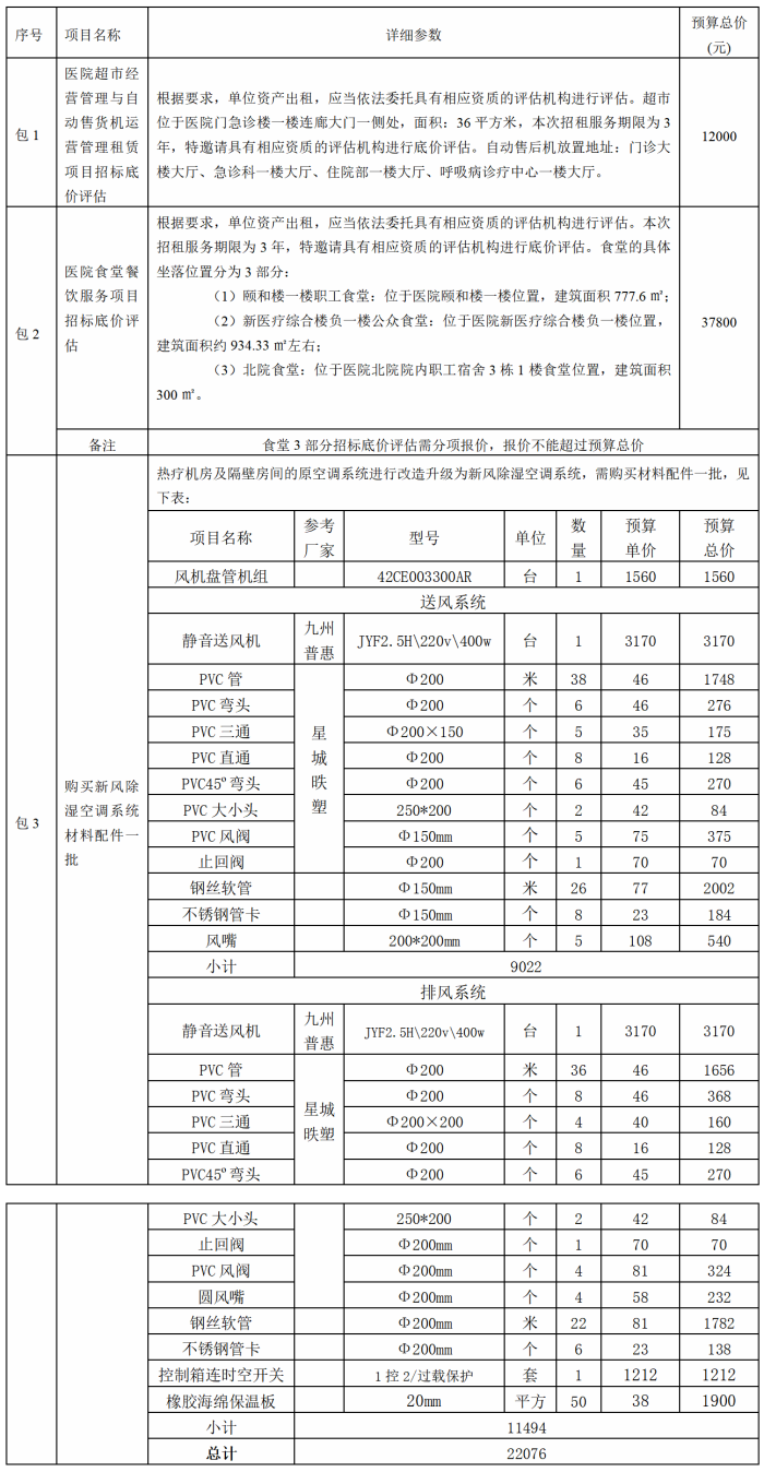
因医院临床医疗业务工作发展需求,我院就以下项目组织院内采购。现采用发布公告的方式邀请有意向的供应商参加采购活动。

二、参与流程:
1、请有意向的供应商将报名信息登记表见附件1(直接下载即可)发送至邮箱:[email protected],邮件标题格式:报名表/项目名称/公司名称/联系方式,例如报名表/项目名称/XXX公司/139XXXXXX。
截止报名时间:2023年03月07日12:00以邮件达到时间为准
2、请于2023年03月08日15:00携带相关资料(响应文件)到谈判现场参与院内谈判。
3、院内谈判期间,将有二次报价,第一次报价不能超预算,请慎重考虑后作出第二次报价。
4、院内谈判根据符合采购需求、质量和服务相等且报价最低的原则确定成交供应商
三、采购谈判日期:2023年03月08日15:00
评审地点:湖南省长沙市韶山南路161号,91短视频 药学楼309
四、联系方式:
电话:0731-85668012 / 85667972
联系人:袁老师/刘老师/罗老师
五、注意事项:
中标后无正当理由不签订合同、或转让、或分包项目以及拒绝履行合同义务的,将计入不良信用记录
2023年03月03日
医德医风和医药领域腐败问题集中整治举报:
一、信息平台:91短视频
官网
二、邮寄地址:长沙市韶山南路161号91短视频
安全办,邮编:410004
三、来访接待:91短视频
安全办办公室